
ΔLOOP3の詳細
最終更新日: 2004年1月4日
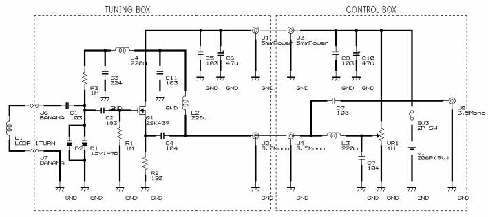
1.回路図(2004年1月4日に修正)
2004年1月4日に、コントロールBOXとチューニングBOX間の配線状態により、まれに発生していた発振現象に対する対策を実施。
<LOOP ANTENNA部>
1メートルのビニールパイプ3本でできている部分です。自動車用の強いビニール電線3.5mを3本のビニールパイプに通していき、1回巻いたところでビニール線両端部を硬結びで結んで緩まなくし、ビニール線の先端にチューニングBOXと接続のためのバナナプラグを取り付けています。
<TUNING BOX部>
ΔLOOP2と大きく違うのがこの部分、上記回路図では線で囲んだ左側の部分です。このBOXは室外のLOOPアンテナのマストに固定されて、LOOPアンテナ部と直結されますので、ΔLOOP2にあったようなフィーダー線は不要になりました。LOOP部との同調用に1SV149Bと言うバリキャップ2個を並列につないで使用しています。これで特定の周波数に共振させております。その後、2SK439というFETでローインピーダンスに変換し、信号を同軸ケーブルで引き回せるようにしております。バリキャップ用のチューニング電圧はCONTROL BOX部から供給されますが、これは同軸ケーブルに直流電圧として信号と共に重畳させています。このBOX部は、以下の写真のようにアルミケースに入れております。
<TUNING BOX部とCONTROL BOX部の接続>
2箇所の接続部分が回路図をご覧頂くとわかると思います。上の方は、9V電源供給用のACアダプターについているのと同様のコネクターを使用し、2芯の電線で接続しています。
信号とチューニング電圧をやり取りするための同軸ケーブルはΔLOOP2の1.5C−2Vの同軸ケーブルを流用しています。
<CONTROL BOX部>
コントロールボックスとも呼んでいますが、これもアルミケースに入れています。回路図の右の破線内の回路になります。電源には、雑音の影響を避けるため006P(9V)の電池を使用しています。チューニング電圧は1MΩのボリュームで作られて、同軸ケーブルに重畳しチューニングBOXに送っています。
また、チューニングBOXからの信号はセラミックコンデンサーで分離して、受信機側に行く同軸ケーブル接続端子につないでいます。
<CONTROL BOX部と受信機の接続>
1.5C-2Vの同軸ケーブル30cmを使用しております。両端に同じ3.5Φのオーディオ用のプラグを取り付けています。私の持っている受信機がポータブル型でアンテナ端子がオーディオの3.5Φプラグなのでそれに合わせました。
2.部品表
部品表を示します。
<CONTROL BOX部>
| 回路図の番号 |
部品詳細 |
入手先 |
参考価格 |
| ケース |
アルミケース 75×120×40mm |
パーツ店 |
¥250 |
| 平ラグ板 |
10P |
パーツ店 |
¥50 |
| ラグ板用スペーサ |
10mm 2個 |
パーツ店 |
¥20×2 |
| ラグ |
3Φのねじで止められるラグ |
パーツ店 |
¥5 |
| VR1 |
通信用可変ボリューム 1MΩ Bカーブ |
パーツ店 |
¥360 |
| VR用つまみ |
35mmΦ (大きいものが使いやすい) |
パーツ店 |
¥320 |
| L3 |
220μH 固定インダクター |
パーツ店 |
¥50 |
| C7,C8 |
50V 0.01μF セラミックコンデンサー |
パーツ店 |
¥10×2 |
| C9 |
50V 0.1μF セラミックコンデンサー |
パーツ店 |
¥10 |
| C10 |
16V 47μF 電解コンデンサー |
パーツ店 |
¥35 |
| SW3 |
2P ミニスイッチ |
パーツ店 |
¥50 |
| Battery |
006P用固定BOX |
パーツ店 |
¥65 |
| 電池プラグ |
006P用電線付き接続プラグ |
パーツ店 |
¥50 |
| J4,J5 |
3.5Φモノラルジャック |
パーツ店 |
¥60×2 |
| J3 |
電源用接続ジャック パネル固定型 |
パーツ店 |
¥50 |
| ねじ |
3Φ |
パーツ店 |
¥50 |
| 配線用電線 |
適当に |
パーツ店 |
¥100 |
<TUNING BOX部>
| 回路図の番号 |
部品詳細 |
入手先 |
参考価格 |
| ケース |
アルミケース 80×120×55mm 密閉型 |
パーツ店 |
¥320 |
| 平ラグ板 |
16P |
パーツ店 |
¥65 |
| ラグ板用スペーサ |
10mm 2個 |
パーツ店 |
¥20×2 |
| ラグ |
3Φのねじで止められるラグ |
パーツ店 |
¥5 |
| J6,J7 |
バナナジャック 2個 |
パーツ店 |
¥50×2 |
| D1,D2 |
バリキャップ 1SV149B |
パーツ店 |
¥50×2 |
| Q1 |
2SK439(E) MOS-FET Eランク |
パーツ店 |
¥50 |
| R1, R3 |
1MΩ 1/4W カーボン抵抗 |
パーツ店 |
¥5×2 |
| R2 |
120Ω 1/4W カーボン抵抗 |
パーツ店 |
¥5 |
| C1, C2, C5, C11 |
50V 0.01μF セラミックコンデンサー |
パーツ店 |
¥10×4 |
| C4 |
50V 0.1μF セラミックコンデンサー |
パーツ店 |
¥10 |
| C3 |
50V 0.22μF セラミックコンデンサー |
パーツ店 |
¥15 |
| C6 |
16V 47μF 電解コンデンサー |
パーツ店 |
¥35 |
| L2,L4 |
220μH 固定インダクター |
パーツ店 |
¥50×2 |
| J1 |
電源用接続ジャック パネル固定型 |
パーツ店 |
¥50 |
| J2 |
3.5Φモノラルジャック |
パーツ店 |
¥60 |
| ねじ |
3Φ |
パーツ店 |
|
| 配線用電線 |
適当に |
パーツ店 |
|
<LOOP ANTENNA部>
| 回路図の番号 |
部品詳細 |
入手先 |
参考価格 |
| L1 |
ビニールパイプ 直径13mm 1m長 3本 |
ホームセンター |
¥88×3 |
| L1 |
自動車用ビニール電線 3.5m |
ホームセンター |
¥135 |
| J6,J7 |
バナナプラグ 2個 |
パーツ店 |
¥50×3 |
<電源ケーブル部>
| 回路図の番号 |
部品詳細 |
入手先 |
参考価格 |
| 線材 |
2芯電線 5m |
パーツ店 |
¥60×5 |
| J1,J3 |
電源用接続プラグ 2個 |
パーツ店 |
¥50×2 |
<BOX間同軸ケーブル部>
| 回路図の番号 |
部品詳細 |
入手先 |
参考価格 |
| 線材 |
1.5C-2V 同軸ケーブル 5m |
パーツ店 |
¥100×5 |
| 接続用プラグ |
3.5Φ オーディオ用モノラルプラグ 2個 |
パーツ店 |
¥60×2 |
<受信機接続用同軸ケーブル部>
| 回路図の番号 |
部品詳細 |
入手先 |
参考価格 |
| 線材 |
1.5C-2V 同軸ケーブル 0.5m |
パーツ店 |
¥50 |
| 接続用プラグ |
3.5Φ オーディオ用モノラルプラグ 2個 |
パーツ店 |
¥60×2 |
合計¥4350くらいで製作できました。(手持ちもあったので、出費は半分くらいでした)
