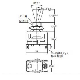
操作用WD15Aトグルスイッチシリーズ

外形寸法

|
品番
|
WD1011F
|
|---|---|
|
ハンドル形状
|
トグルタイプ
|
|
タイプ
|
標準タイプ
|
|
極数及び動作特性
|
単極単投
|
|
動作特性(操作方式)
|
ON-OFF
|
|
端子形状
|
はんだ端子
|
|
定格
|
15A 250V AC/0.5A 250V DC/0.9A 125V DC/15A 30V DC
|
|
保護構造
|
IP40
|

