真空管プリアンプ
(No.194変)
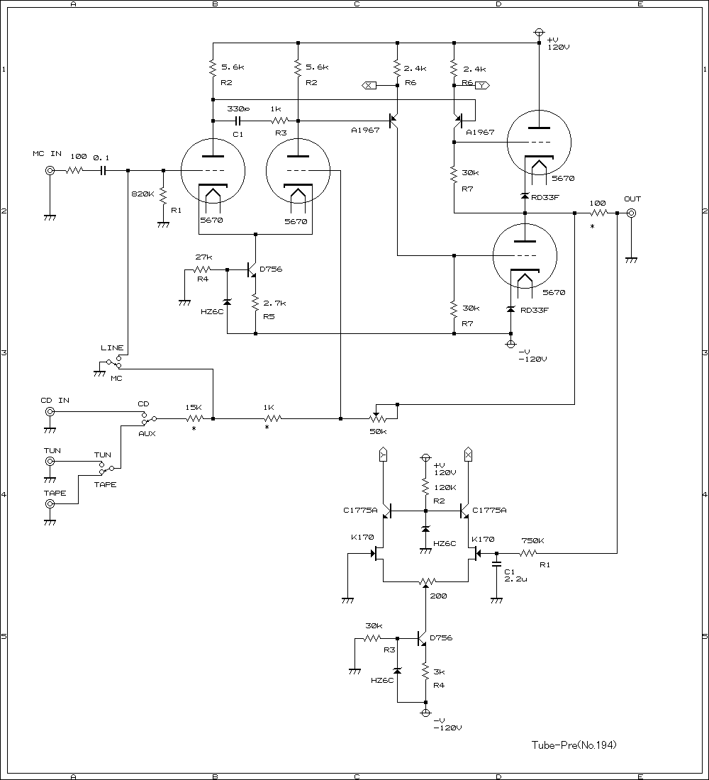
手持ちの真空管でプリアンプを作る。ベースはMJ誌2007/10のMC/CD兼用真空管プリアンプ(No.194)だが、717Aの代わりに双三極管の5670Wを用いる。MCイコライザは内臓せず、カップリングCでイコライザアンプの出力を受ける入力を用意する。±120Vの電源は外部供給とする。
初段のステップ位相補正のCRはNo.194と同じ値とした。そのほかの定数も記事どおり。つまり真空管だけが違う。CD入力にさらに切り替えSWをつけてチューナーとテープデッキの入力を設けた。

双三極管を用いた真空管プリアンプは「オーディオDCアンプ製作のすべて上巻」の第4章にあり、基盤配線の参考にした。
真空管はソケットを用いる。AOCも同一基板に配線する。

AOCの入力C 2.2μFはSIZUKIのフィルムコンデンサ

アルミアングル材をケースの左右パネル間に渡して、それに基板を固定することにより中吊り構造となる。
パネルの文字入れはインクジェットプリンタを用いた。黒に白抜きの文字を入れたいので、ホワイトベースのフィルムシートに印刷する。
印刷はきれいにできたが、フィルムシートをパネルのアルミ板に貼るのが難しい。空気の泡がすこし入ってしまったのでやり直した。
窓ガラスにフィルムを貼る要領で、中性洗剤を薄めた液をフィルムの糊面にスプレーして貼って、空気の泡を押し出すようにしたらなんとかきれいにできた。
但し、インクが水にとけないようにクリアラッカーを印刷面にあらかじめスプレーしておく。

ヒータはLM317で作った6.3VレギュレータでDC点火する。5670W 1本のヒータ消費は0.35A(データシート値)なので、LM317の1.5Aでぎりぎり賄える計算だ。
調整はオフセットのみ。AOCのおかげでなんとかオフセットはゼロ近辺に安定できているようだ。
アルプス50kΩ2連VRの調子が悪い。ゼロに絞りきったところから上げていくと左Chがいきなり音量が大きくなる。ごく小さいところなのだが、
小音量で聞くときに左右のバランスが取れないので使い物にならない。 デテント100kΩ2連VRに交換した。
電源を入り切りしたときに出力オフセットが大きく動くのでパワーアンプとの電源投入順番に気をつける必要がある。出力ミューティング回路が欲しい。
←ガラス管の内面がうっすらと青く光るのはなぜ?
真空管のプリアンプは初体験だが、プリアンプを変えると音が変わることがわかった。いままでの硬い音はプリアンプのせいだったとも思えてくる。
管楽器の音質が特によくなった。とくに木管楽器がくっきりとする。なんというか管(くだ)で音を出している感じが聞こえるのだ。
5670という双三極管は代替管もたくさんありよく使われていたようだ。これを使ってDACの出力アンプを作ったら良さそうだ。
2009/11/28
ステップ位相補正Cの330pF(ディップマイカ)を270pF(SE)に交換した。ややおとなしめのしっとりした感じの音になった。
交換直後にトラブルがあった。右Chのオフセットが異常で50V以上も出た。こんな極端なオフセットは初段の動作が怪しい。
2段目の真空管を抜いて初段の動作電圧をあたって行くと、グリッドもカソードも異常に低い。定電流のTr.がおかしいかとTr.の導通テストをしようと配線を良く見るとコレクタとベースの間に半田の屑がはまっていた。結局これが原因だった。Cを交換するときに半田吸い取り器を使ったのだがこいつの屑が散らかっていた。吸い取り器のメンテも大事だ。

|