| CQ誌2005年7月号 p129のATTの考察 |
![]() |
| 上の図は電源(内部抵抗50Ω)に負荷50Ωを繋いだものです。 負荷には電圧Vがかかりますから、負荷で消費される電力は P = V×V/50 = 0.02V^2 です。 |
![]() |
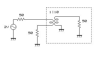
| 上の図はCQ誌2005年7月号p129に載っていた20dBのATTです。 点線部分は、50Ωを1/100にしたもの(0.5Ω)ですから次のように 書き換えることができます。 |
![]() |
| このR1で消費される電力を計算します。 R1にかかる電圧は、2V×0.5/(50+0.5+50) = V/100.5 なので P = (V/100.5)^2/0.5 = 0.00019801・V^2 です。 1番上の図では0.02・V^2 ですから、1/101.0025 になります。 -20.04dBということです。 同様に1:4のトランスにした場合、R1=50/16=3.125Ωになりますから 計算すると、電力は1/17.015625になり、-12.3dBです。 送信機から見ると、53.125Ωの負荷が繋がれたように見えますから 若干SWRが悪化します。(SWR=1.06) 記事にあるように正確に-12dBにするなら50Ωの抵抗 ではなく、50-3.125=46.875Ω(47Ω)にすると良いと思います。 |