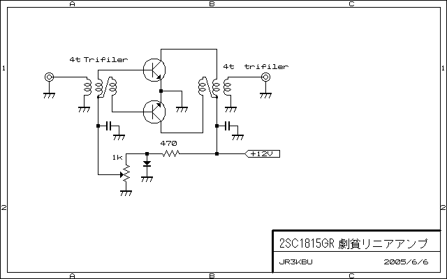
2SC1815GR 2パラ プッシュプル リニア アンプの実験
|
 |
秋月電子通商で買える格安部品でRFアンプを作りました。
2SC1815GR \3 ×4
ダイオード \1 ×1
積層コンデンサ \4.8 ×3
フェライトビーズ \3 ×2
抵抗 \1 ×1
半固定抵抗 \40 ×1
合計約¥75
他にウレタン線、生基板が必要です。
|
.png) |
回路図ではトランジスタは2個ですが、それぞれ2個パラにしています。(全部で4個)
アイドル電流は40mAにセットしました。
トランスの巻線はφ0.2のUEWを使っています。
|
 |
周波数は左から順番に、1.8/3.5/7/10/14/21/28/50MHzです。
23dBm(200mW)ぐらいが直線域でしょうか。
飽和出力は50MHz以外は27dBm(500mW)ぐらいです。
綺麗に周波数が上がるに従ってゲインが下がっていきます。
|
 |
7MHz 20dBm(100mW)出力時
スパン=50MHz
2倍高調波=-50dBc
3倍高調波=-40dBc
入力レベルは-8dBm(0.16mW)なのでゲイン=28dB
|
 |
7MHz 27dBm(500mW)出力時
スパン=50MHz
入力レベルは12dBm(16mW)なのでゲイン=15dB
|
 |
28MHz 20dBm(100mW)出力時
スパン=200MHz
2倍高調波=-50dBc
3倍高調波=-36dBc
入力レベルは2dBm(1.6mW)なのでゲイン=18dB
|
 |
28MHz 25.2dBm(330mW)出力時
スパン=200MHz
入力レベルは13dBm(20mW)なのでゲイン=12dB
|
 |
50MHz 20dBm(100mW)出力時
スパン=500MHz
2倍高調波=-46dBc
3倍高調波=-31dBc
入力レベルは9dBm(8mW)なのでゲイン=11dB
|
出力が20dBmになる時(リニア領域)のゲインは
1.8MHz:34.7dB
3.5MHz:32.5dB
7MHz:28dB
10MHz:26.3dB
14MHz:23.8dB
21MHz:20.5dB
28MHz:18dB
50MHz:11dB
です。
この時のコレクタ電流は50MHz以外は80mA(0.96W)、50MHzでは105mA(1.26W)
です。0.1W出力ですから効率は10%程度と悪いです。これはアイドル電流が40mA
であることも原因かもしれません。最初、アイドル電流を20mAとしたところ、C級動作
に近く、ぜんぜんリニアに増幅しませんでした。(自作プラーザで、JH5ESM/cosyさんの
アドバイスを受けました。)
効率は悪いですが非常に綺麗なリニア特性になっています。28MHz以下ではLPFは
1段で良いです。入力はSSGの出力で、これに既に高調波が含まれていての成績です。
|
 |
ここから入力トランスを変えました。
1次側4t、2次側バイファイラ2tとしました。4:1にステップダウンしたということです。
グラフは左から1.8/7/14/28/50MHzです。これも綺麗に並びました。
|
 |
これは1.8MHzの入出力特性です。
青い細い線は1:1の入力トランス、
赤い太い線は4:1の入力トランスを使った場合です。(以下同じ)
+13dBm入れると出力は29.9dBmとほぼ1Wです。
この時、コレクタ電流は250mAでした。(直流入力電力=3W)
|
 |
これは7MHzの入出力特性です。
若干ピーク電力は赤い線(4:1トランス)の方が伸びているようです。
1.8MHzに比べて、両者の差は減っています。
+13dBm入力時、最初は出力28.4dBm(690mW)ですが、1分間経つと
27dBm(500mW)まで減少しました。
コレクタ電流は230mAとほとんど変わりませんでした。
入力をゼロにするとアイドル電流は55mAに増えていました。これは数十秒で
元の40mAになりました。
トランジスタの温度は45℃程度になりました。
トランスの発熱はほとんど感じられませんでした。
|
 |
これは14MHzの入出力特性です。
入力トランスの差はほとんどありませんが、やはり最大パワーは4:1トランス
の方が若干多く取れるようです。
|
 |
これは28MHzの入出力特性です。
|
 |
これは50MHzの入出力特性です。
50MHzでは4:1トランスの方が全領域でゲインが高くなっています。
|
さて、ここまで秋月の1個¥3の格安フェライトビーズを使っていましたが、
定番のFB−801と比較してみました。
入力トランスは1次:4t、 2次:バイファイラ2t
出力トランスはトリファイラ3t です。インダクタンスは14μHで、Z=160Ω@1.8MHzと
なります。。(格安ビーズでは4tとしていました。インダクタンスは13μH)
太い赤い線がFBー801、細い青い線が格安ビーズです。
|
 |
これは1.8MHzのデータです。
FB-801を使った方が1〜2dBゲインが高いようです。
+13dBm入力時は、格安ビーズ:29.9dBm、FB-801:30.0dBm と大差ありませんでした。
|
 |
これは7MHzのデータです。ほとんど重なっています。
|
 |
これは28MHzのデータです。7MHzと同様、ほとんど重なっています。
|
 |
格安ビーズの方が若干ゲインが取れているようですが、大差ありません。
このような使い方ではFB-801の代わりに秋月格安ビーズが使えることがわかりました。
|
 |